HC18空心轴光电增量电机反馈编码器
紧凑空心轴电机反馈编码器,适用于交流同步、直流无刷电机
分辨率可达5000ppr,并可选0,4,6,8 或10 极换向信号
最高转速可达 6,000rpm
输出频率可达500kHz,特别适合高转速高精度伺服应用需求
工作温度可达120℃
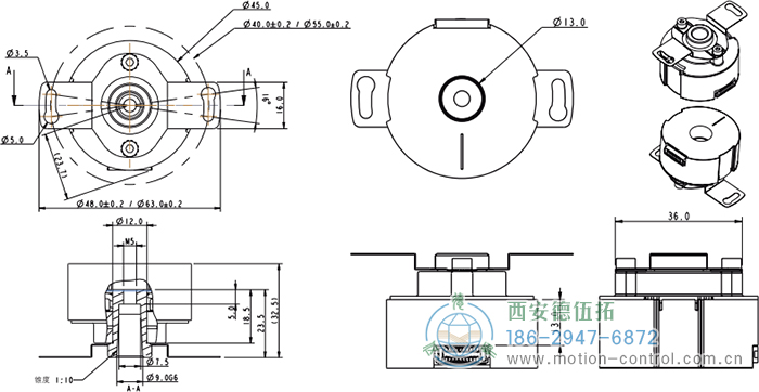
外径 45mm,并采用收腰设计,便于安装40mm 的弹簧片
可选省线式输出接线更少,电缆更粗信号衰减小
带自锁径向插头,安装简便可靠
LED 电流自适应,消耗电流低
HC18编码器提供高性能,低成本的电机反馈系统,可应用于交流同步和直流无刷伺服电机。输出 频率高达500kHz,可实现5000ppr分辨率6000rpm稳定输出 ,特别适合高转速高精度伺服应用需求。弹簧片使安装简便,允许较在的电机轴公差20°的对中调整。优良的光学结构允许内部的器件在120℃下正常工作。高温油脂可以延长轴承的使用寿命。安装简便,不需要特殊工具。可选省线式输出接线更少,电缆更粗信号衰减小。
HC18空心轴光电增量电机反馈编码器脉冲数
2500,5000;
可选0,4,5,8,或10极磁极信号和省线式输出
HC18空心轴电机反馈增量编码器产品规格
外径:45mm( 带外罩)
轴径或孔径:锥轴(Φ9,1:10), 空心轴Φ6 或Φ8mm
脉冲数或分辨率:2500,5000;可选0,4,6, 8 或10 极磁极信号和省线式输出
防护等级:IP40
最高转速:6000 RPM
HC18空心轴光电增量电机反馈编码器订货说明
在订货时我们需要确认用户所购买的HC18空心轴光电增量电机反馈编码器的相关参数,以免给您造成不必要的损失。以下是订货时需要确认的一些参数,以及参数说明,供您参考选型。
|
型号
|
脉冲数
|
极数
|
安装1
|
电气2
|
轴
|
连接3
|
|
□
|
□
|
□
|
□
|
□
|
□
|
|
|
HC18
|
2500
5000
|
0 无
4 4极
6 6极
8 8极
A 10级
|
0 无弹簧片
1 40mm (1.575")TK
2 55mm (2.166")TK
3 46mm (1.811")TK
|
D Uinc= DC 5V;输出inc=RS 422
F Uinc= DC 5V;输出inc=RS 422
Ucom= DC 5V;输出com=RS 422
S Uinc= DC 5V;输出inc=RS 422
|
0 锥轴(φ9,1:10)
3 空心轴
φ6
4 空心轴
φ8
|
Z 无匹配插头和电缆
A 匹配插头+30cm电缆
B 匹配插头+60cm电缆
C 匹配插头+90cm电缆
D 匹配插头+1.2m电缆
E 匹配插头+1.5m电缆
F 匹配插头+1.8m电缆
G 匹配插头+2.1m电缆
H 匹配插头+2.4m电缆
|
1 "TK"表示弹簧片开孔中心距,用于确定编码器弹簧片安装螺钉的位置。
2 U
inc:增量信号电源电压,U
com:磁极信号电源电压(仅当磁极信号被选择)
3 编码器本体插座型号JST SM20B-SHLDS-G-TF,匹配插头型号JST SHLDP-20V-S-1(B),应要求可定制其它电缆长度。