



| 外径 | 58mm |
| 轴径 | 实心轴 6mm,10mm;空心轴 10mm,12mm |
| 法兰(外壳的安装) | 同步法兰,夹紧法兰,带弹簧片的轴套,方形法兰 |
| 轴端的防护等级 (EN 60529) | IP 64或IP 67 |
| 外壳的防护等级 (EN 60529) |
总线外壳连接:IP67 电缆或 M23(Conin) 连接:IP64(IP67 可选 ) |
| 最大轴载 | 轴向40/径向60N |
| 最高转速 | 12000min-1(短时),10 000min-1(连续) |
| 启动转矩 | ≤ 0.01Nm |
| 转动惯量 | 3.8×10-6kgm2 |
| 安装轴的轴向跳动(轴套) | ±1.5mm |
| 安装轴的径向跳动(轴套) | ±0.2mm |
|
抗震动 (DIN EN 60068-2-6) |
100 m/s2(10`500Hz) |
|
抗冲击 (DIN EN 60068-2-27) |
1000m/s2(6ms) |
| 工作温度 | -40℃ ~ +85℃ |
| 存储温度 | -40℃ ~ +85℃ |
| 轴的材料 | 不锈钢 |
| 外壳的材料 | 铝 |
| 重量 | 约350g(单圈),约400g(多圈) |
| 连接 |
电缆,轴向或径向 M23连接器(Conin),12脚,轴向或径向 总线外壳,带3个密封电缆出口 总线外壳,带2×M23连接器(Conin),9脚 总线外壳,带2个密封电缆出口+1×M12连接器(用于"Tico"显示Conin,4脚) |
| 整体设计 | 根据 DIN EN 61010-1, 防护等级 III, 污染等级 2, 过电压等级 II |
| 电源电压 | 直流 10 ~ 30V |
| 典型空载电流(单圈/多圈) | 220mA/250mA |
| 单圈分辨率 | 10 ~ 16 位 |
| 多圈分辨率 | 12 位 |
| 输出代码 | 二进制 |
| 线性 | ±1/2LSB(±1LSB, 分辨率为 13, 14, 25, 26 位时适用) |
| 规范 / 协议 | CANopen 符合 DS301 和 DSP406 规范,可编程编码器符合 C2 类标准 |
| 集成特殊功能 | 速度、加速度、极限值、运行时间 |
| 数值更新 | 按照求,每毫秒(可调节)更新 |
| 基本标识符 | 通过 DIP 开关设定 |
| 波特率 | 通过 DIP 开关设定,范围在每秒10至1000K比特之间 |
| 总线终端电阻 | 通过 DIP 开关设置 |
| M23引脚(Conin) | 针插入式(进口) | 孔插入式(出口) |
|---|---|---|
| 1 | CAN in+ | CAN out+ |
| 2 | CAN in- | CAN out- |
| 3 | CAN GND in | CAN GND out |
| 4 | N.C. | N.C. |
| 5 | N.C. | N.C. |
| 6 | N.C. | N.C. |
| 7 | UB in | UB out |
| 8 | 0V in | 0V out |
| 9 | N.C. | N.C. |
| 屏蔽 | 屏蔽1 | 屏蔽1 |
| M23引脚(Conin) | TPE 电缆 | 电缆芯线对 | 信号 |
|---|---|---|---|
| 7 | 黄色 | 对1 | CAN in+ |
| 2 | 绿色 | 对1 | CAN in- |
| 4 | 粉红色 | 对2 | CAN out+ |
| 5 | 灰色 | 对2 | CAN out- |
| 3 | 蓝色 | CAN GND in | |
| 11 | 棕色 | CAN GND out | |
| 12 | 白色(0.5mm) | 对3 | UB in |
| 10 | 棕色(0.5mm) | 对3 | 0V in |
| 屏蔽 | 屏蔽 | 屏蔽 | 屏蔽 |
| 接线块KL1(10脚) | |
|---|---|
| 编号 | 信号名称 |
| 1 | UB in(直流10V`30V) |
| 2 | 0V in |
| 3 | CAN in-(显性L) |
| 4 | CAN in+(显性H) |
| 5 | CAN GND in |
| 6 | CAN GND out |
| 7 | CAN out+(显性H) |
| 8 | CAN out-(显性L) |
| 9 | 0V out |
| 10 | UB out(直流10V`30V) |










| 型号 | 分辨率 | 供电电压 | 法兰、防护等级、轴径1 | 接口 | 连接方式 |
|---|---|---|---|---|---|
| □ | /□ | □ | □ | □ | □ |
| AC 58 |
0010 10 位单圈 0012 12 位单圈 0013 13 位单圈 0014 14 位单圈 0016 16 位单圈 1212 12 位单圈 + 12 位单圈 1213 12 位单圈 + 13 位单圈 1214 12 位单圈 + 14 位单圈 |
E 直流10`30V |
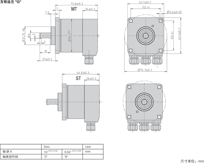
S.41 同步法兰, IP64, 6 mm S.71 同步法兰,IP67,6mm K.42 夹紧法兰, IP64 , 10 mm K.72 夹紧法兰, IP67 , 10 mm K.46 夹紧法兰, IP64 , 9.52 mm K.76 夹紧法兰, IP67 , 9.52 mm F.42 弹簧片, IP64 ,10mm轴套,前夹紧环安装 F.47 弹簧片, IP64 ,12mm轴套,前夹紧环安装 F.46 弹簧片, IP64 ,9.52mm轴套,前夹紧环安装 Q.42 方形法兰,IP64,10mm Q.72 方形法兰,IP67,10mm Q.46 方形法兰,IP64,9.52mm Q.76 方形法兰,IP67,9.52mm |
OL CANopen OC CANopen(应要求) |
A 轴向电缆 B 径向电缆 C M23连接器(Conin),12脚,轴向,顺时针 D M23连接器(Conin),12脚,径向,顺时针 G M23连接器(Conin),12脚,轴向,逆时针 H M23连接器(Conin),12脚,径向,逆时针 I 总线外壳,带2×M23连接器(Conin),9脚,径向,顺时针 T 总线外壳,带2个密封电缆出口+1×M12连接器(用于"Tico"显示Conin,4脚) Z 总线外壳,带3个密封电缆出口 |
| 代码 | 电缆长度 |
|---|---|
| 无代码 | 1.5m |
| -D0 | 3m |
| -F0 | 5m |
| -K0 | 10m |
| -P0 | 15m |
| -U0 | 20m |
| -V0 | 25m |
|
示例: 3米长电缆:...B-D0 3米长电缆末端带M23连接器,顺时针:...B-D0-I |
|

在线QQ
186-2947-6872
在线咨询
扫描二维码
添加客服微信号
info@majiaosuo.cn
