


| 轴材料 | 6061-T6铝 |
| 孔径 | 6mm`28mm,1.4"`1.25",电气绝缘 |
| 适配轴长度 | 最小1.25",推荐1.60" |
| 轴转度 | 最大6000RPM(超过5000RPM时,防护等级IP64) |
| 启动转矩 | 最大8.0in-oz(-25℃) |
| 运行转矩 | 最大5.0in-oz(常温) |
| 轴承 | ABEC1 |
| 外壳材料 | 电渡,铝粉涂层 |
| 码盘材料 | 塑料或者金属 |
| 标准工作温度 | -40℃ ~ +85℃(4469线驱输出时0 ` +70℃,详见订购信息)。转速超过3000RPM后,每1000RPM降温10℃。 |
| 扩展温度范围 | -40℃ ~ +100℃ |
| 存储温度 | -40℃ ~ +100℃ |
| 抗振动 | 400g,6ms |
| 抗振动 | 20g,5 ` 3000Hz |
| 湿度 | 100% |
| 防护等级 | IP67(转速超过50000RPM时,为IP64) |
| 重量 | 典型1.7lb(28Oz) |
| 编码方式 | 增量型 |
| 分辨率 | 最高5000PPR。参阅订购信息。 |
| 格式 | 两通过正交方波(AB),带可选零位信号Z和互补输出 |
| 相位检测 | 从编码器轴夹紧端方向看,A超前B,编码器逆时针旋转 |
| 正交相位 |
分辨率200`300,≥1200PPR:90°±30°电气; 其余分辨率:90°±15°电气 |
| 对称性 |
分辨率200`300,≥1200PPR:90°±25°电气; 其余分辨率:180°±18°电气 |
| 波形 | 方波上升沿和下降沿小于1μs,负载电容1000p |
| 输入功率 | 5·26VDC。最大50mA,不包括输出负载。 |
| 输出 | ET7272、ET7273、4469 |
| 频率响应 | 125kHz |
| 抗扰性 | 通过EN61326-1 EMC 测试 |
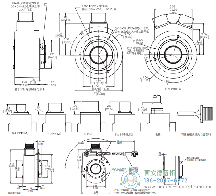
| 终端 | MS连接器、M12连接器,电缆输出带密封圈。参阅订购信息。 |
| 配套连接器 |
6针MS,型号MS3106A-14S-6S(MCN-N4) 7针MS,型号MS3106A-16S-1S(MCN-N5) 10针MS,型号MS3106A-18S-1S(MCN-N6) 10针卡口,型号MS3116A-F12-10S(607545-001) 电缆带5针M12连接器,P/N112859-XXX 电缆带8针M12连接器,P/N112860-XXX |
| 编码器功能 |
电缆# 108594-6针单端 |
电缆# 108596-7针差分线路驱动器,无零位 |
电缆# 112123-6针差分线路驱动器,无零位 |
电缆# 108595-7针 (如果使用) |
电缆# 1400635-或109209(NEMA4)-10针差分线驱,带零位 (如果使用) |
电缆# 108615-12针CCW (如果使用) |
电缆# 114448-10卡口 |
|||||||
|---|---|---|---|---|---|---|---|---|---|---|---|---|---|---|
| 针 | 电缆颜色 | 针 | 电缆颜色 | 针 | 电缆颜色 | 针 | 电缆颜色 | 针 | 电缆颜色 | 针 | 电缆颜色 | 针 | 电缆颜色 | |
| 信号A | E | 棕 | E | 棕 | A | 棕 | A | 棕 | A | 棕 | 5 | 棕 | A | 棕 |
| 信号B | D | 橙 | D | 橙 | B | 橙 | B | 橙 | B | 橙 | 8 | 橙 | B | 橙 |
| 信号Z | C | 黄 | - | - | - | - | C | 黄 | C | 黄 | 3 | 黄 | C | 黄 |
| 电源+V | B | 红 | B | 红 | D | 红 | D | 红 | D | 红 | 12 | 红 | D | 红 |
| N/C | F | - | - | - | - | - | E | - | E | - | 7 | - | E | - |
| Com | A | 黑 | A | 黑 | F | 黑 | F | 黑 | F | 黑 | 10 | 黑 | F | 黑 |
| 外壳 | - | - | - | - | G | 绿 | G | 绿 | G | 绿 | 9 | - | G | 绿 |
| 信号A | - | - | C | 棕/白 | C | 棕/白 | - | - | H | 棕/白 | 6 | 棕/白 | H | 棕/白 |
| 信号B | - | - | F | 棕/白 | E | 橙/白 | - | - | I | 橙/白 | 1 | 橙/白 | J | 橙/白 |
| 信号Z | - | - | - | - | - | - | - | - | J | 黄/白 | 4 | 黄/白 | K | 黄/白 |
| OV传感 | - | - | - | - | - | - | - | - | - | - | 2 | 绿 | - | - |
| 5V传感 | - | - | - | - | - | - | - | - | - | - | 11 | 黑/白 | - | - |
| 编码器功能 |
电缆# 112859-5针单端 |
电缆# 112860-8针单端 |
电缆# 112860-8针差分 |
|||
|---|---|---|---|---|---|---|
| 针 | 电缆颜色 | 针 | 电缆颜色 | 针 | 电缆颜色 | |
| 信号A | 4 | 黑色 | 1 | 棕色 | 1 | 棕色 |
| 信号B | 2 | 白色 | 4 | 橙色 | 4 | 橙色 |
| *信号Z | 5 | 灰色 | 6 | 黄色 | 6 | 黄色 |
| 电源+V | 1 | 棕色 | 2 | 红色 | 2 | 红色 |
| Com | 3 | 蓝色 | 7 | 黑色 | 7 | 黑色 |
| 信号A | - | - | - | - | 3 | 棕色/白色 |
| 信号B | - | - | - | - | 5 | 橙色/白色 |
| *信号Z | - | - | - | - | 8 | 黄色/白色 |

| 代码1:型号 | 代码2:PPR | 代码3:孔径 | 代码4:固定 | 代码5:输出格式 | 代码6:终端 | 代码7:选项 |
|---|---|---|---|---|---|---|
| HS35R | □ | □ | □ | □ | □ | □ |
| HS35R 重载空心轴编码器 |
0001 0500 0003 0512 0010 0600 0012 0900 0015 1000 0032 1024 0050 1200 0060 1500 0100 2000 0120 2048 0200 2400 0240 2500 0250 3072 0300 5000 0360 |
0 6mm 1 1/4" 2 5/16" 3 8mm 4 3/8" 5 10mm 6 12mm 7 1/2" 8 5/8" 9 15mm A 16mm C 19mm D 3/4" E 20mm F 7/8" G 24mm H 1" J 1-1/8" K 1-1/4" M 14mm N 18mm P 25mm R 28mm |
0 无 1 4.5"C面弹簧片 2 8.5"C面弹簧片 3 带槽的弹簧片(用于标准AC电机风扇盖安装) ————— 当代码5是 D,E,F,G,Q,R时,不可用 4 同1一样,带盖 5 同3一样,带盖 C 同A一样,带56C盖(仅单输出) ————— 当代码5=D,E,F,G,Q,R时可选 6 同1一样,带两个盖 7 同3一样,带两个盖 8 同2一样,带180C盖(单或双输出) ————— A 旋转拉杆 B 旋转拉杆带接地带 D 同B一样,带56C盖(单输出) |
0 ABZ,5`26VDC,推挽输出 1 ABZ,5`26VDC,集电极开路输出 2 ABZ,5`26VDC,电极开路输出,带2.2k电阻 H 与0一样,扩展温度范围 J 与1一样,扩展温度范围 K 与2一样,扩展温度范围 ————— 当代码6是H时,不可用 4 只有AB相差分输出,5`26VDC输入,5VDC输出(7272) 5 只有AB相差分输出,5`26VDC输入,5VDC输出(7272) A 只有AB相差分输出,5`26VDC输入,5VDC输出(4469) C 只有AB相差分输出,5`15VDC输入,5`15VDC输出(4469) L 与4相同,扩展温度范围 M 与5相同,扩展温度范围 ————— 当代码6是0,1,5,6或H时,不可用 6 ABZ相差分输出5`26VDC输入,5VDC输出(7272) 7 ABZ相差分输出5`26VDC输入,5VDC输出(7272) 8 ABZ相差分输出5`26VDC输入,5VDC输出(4469) 9 ABZ相差分输出5`15VDC输入,5VDC输出(4469) D 与6一样,双隔离输出 E 与7一样,双隔离输出 F 与8一样,双隔离输出 G 与9一样,双隔离输出 N 与6一样,扩展温度范围 P 与7一样,扩展温度范围 Q 与D一样,扩展温度范围 R 与E一样,扩展温度范围 W ABZ,10-24VDC线驱输出,使用下列的Dynapar电缆组件可以传输500ft/120m距离 |
0 6针 1 7针 2 10针 3 12针 4 10针卡口 5 6针配插头 6 7针配插头 7 10针配插头 8 12针配插头 9 10针卡口配插头 A 0.5m(18")电缆 C 1m(36")电缆 D 2m(72")电缆 E 3m(120")电缆 F 0.3m电缆带10针穿板式连接器及配套插头 G 0.3m(13")电缆 H 5针M12 J 8针M12 |
空白 无选项 01 反向相位(A超前B,CCW) ————— 当代码5=0-2,6,7,同代码6=0-2或5-7时可选 PS LED输出 |

在线QQ
186-2947-6872
在线咨询
扫描二维码
添加客服微信号
info@majiaosuo.cn
