HOG9增量重载编码器
摘要:HOG9系列增量重载编码器是型号多样、用途广泛的堡盟增量式重载编码器产品。该系列编码器融合了堡盟在重载编码器领域的丰富经验,始终能够为您提供成熟可靠的应用解决方案。即便在恶劣的工况下,HOG9旋转编码器也能持续可靠地24小时全天候运行。

HOG9增量重载编码器
多样化的产品选择,久经考验的坚固性
出色的可靠性和超长的使用寿命——源自霍伯纳柏林
久经考验的重载设计和两端式轴承设计
高精度抗干扰光感应技术,分辨率高达10,000 ppr
精确的转速信号用于优化过程控制,提高控制性能
HOG9增量重载编码器的优势
HOG9系列增量重载编码器是型号多样、用途广泛的堡盟增量式重载编码器产品。该系列编码器融合了堡盟在重载编码器领域的丰富经验,始终能够为您提供成熟可靠的应用解决方案。
即便在恶劣的工况下,HOG9旋转编码器也能持续可靠地24小时全天候运行。这对于防止发生故障、避免高昂的停机成本、提高设备或系统的可用性具有重要意义。
1、即便在苛刻的环境条件下,也具有很高的可用性和超长的使用寿命
久经考验的重载设计;两端式轴承;重载连接技术;坚固的感应技术
2、在任何环境下可靠运行
坚固耐用的铝制外壳;出色的耐腐蚀性(防腐等级为C4);长期稳定的密封设计;工作温度高达+100 °C
3、有效防止轴承受损
两端式轴承设计(只要可行):宽间隙式大尺寸轴承,高承载潜力,可承受高径向和轴向负载;采用陶瓷滚珠混合轴承,无感应轴电流
4、提高应用中的控制性能,优化过程控制
搭载Opto-ASIC芯片,实现抗干扰精确感应,具有出色的电磁兼容性
5、可靠的远距离信号传输
强大的输出驱动器,适用于长达350 m(HTL-P)或550m(TTL)的电缆;可通过光纤传输信号,最远传输1500m
6、通过防爆认证
通过ATEX认证(Ex II 3G / 3D),涵盖几乎所有2区设备;通过ATEX / IECEx认证(Ex II 2G)的版本适用于1区
7、产品选型简单灵活
适用于所有常见的安装方式(空心轴、锥孔型、带欧式法兰B10的实心轴);通过端子盒 / M23法兰接头 / 电缆进行连接;输出信号为HTL-P / TTL
8、多样化的设计和可选功能
分辨率高达10,000 ppr;EMS功能监测系统;冗余输出;双轴承设计,用于安装额外的设备;双编码器;编码器+机械式超速开关(FSL)或电子式超速开关(ESL)组合;外壳基座(B3)
9、诊断方便,提高可用性
通过EMS功能监测系统持续监控多项旋转编码器功能;在装配期间便可发现连接错误;缩短调试和故障查找时间
HOG9增量重载编码器的应用领域
增量式重载编码器可提供转速和角度信息,分辨率以每圈脉冲数(方波信号)或每圈正弦波数(正余弦信号)来表示。轴每转一圈,编码器就会将此信息传输至控制系统。为了提高分辨率,可通过控制系统或使用倍频器对正余弦信号进行倍频。
上游控制系统通过在规定时间周期内计算出的脉冲数来识别当前转速,同时通过脉冲数或正余弦波数来识别当前位置。由于编码器信息可能在系统关闭期间丢失,因此在系统重新上电时,需要重新设置参考零点,这样还可以消除在系统关闭期间可能因任何轴旋转造成的错误结果。
增量式重载编码器具有很高的机械承载潜力和出色的坚固性与耐用性,即便在苛刻的环境条件下也能确保可靠运行。
其应用领域包括:钢铁厂和轧钢厂、港口设备和起重机技术、电动葫芦和升降平台、地下和露天采矿、物料搬运设备、大型传动装置和发电机、风力发电机。
HOG9增量重载编码器的先进技术
1、集成的功能监测系统
编码器集成了功能监测EMS(增强监测系统)(可选),可对旋转编码器的多个功能进行不间断监测。
这种诊断方式非常方便,可加快连接错误和编码器故障的检测速度,从而提高系统可用性。
编码器状态可以通过错误信号输出,持续不断地传输至控制器。
2、经久耐用的两端式轴承设计
凭借无与伦比的径向和轴向负载承受能力,堡盟两端式轴承设计几十年来在机电工程领域久经考验。
只要技术上可行,堡盟重载编码器都会采用两端式轴承设计,从而确保超长的使用寿命和极高的机械承载潜力。
HOG9增量重载编码器产品系列
1、99 mm设计 – 空心轴和锥孔型 HOG9
盲孔型,孔径ø12 mm或ø12 mm
锥孔型ø17 mm (1:10)
500 ... 5000 ppr
旋转式端子盒、M23法兰接头或电缆直接出线
2、双编码器组合 HOG9G
同一根传动轴,两个编码器
感应单元和信号处理电子元件采用电气隔离,以实现冗余输出
盲孔型、锥孔型和实心轴
2 x 300 ... 5000 ppr
两个平行的端子盒或法兰接头
HOG9增量重载编码器技术参数
技术数据 – 电气参数
|
电源电压
|
9…30 VDC
5 VDC ± 5%
|
|
电流消耗(无负载)
|
≤100 mA
|
|
每圈脉冲数
|
300 … 5000
|
|
相移
|
90 ° ±20°
|
|
占空比
|
40…60 %
|
|
参考信号
|
零脉冲,宽度90°
|
|
感应原理
|
光电
|
|
输出频率
|
≤120 kHz
≤300 kHz (可根据需求提供)
|
|
输出信号
|
HOG9:
K1,K2,K0 + 反相信号
HOG9G:
K1,K2,K0 + 反相信号
故障输出 (EMS功能可选)
|
|
输出方式
|
HTL-P(功率线驱动)
TTL/RS422
|
|
感应原理
|
HOG9G:
光电
|
|
抗干扰性
|
EN 61000-6-2
|
|
辐射干扰
|
EN 61000-6-3
|
|
认证
|
CE
UL认证 / E217823
|
技术数据 – 机械参数
|
尺寸(法兰)
|
ø97 mm
|
|
轴类型
|
HOG9:
ø12…16 mm (盲孔型)
ø17 mm (锥孔型 1:10)
HOG9G:
ø16 mm (盲孔型)
ø17 mm (锥孔型 1:10)
|
|
允许轴负载
|
≤400 N 轴向
≤500 N 径向
|
|
防护等级(EN 60529)
|
IP 56
|
|
运行速度
|
≤10000 rpm (机械)
|
|
典型运行转矩
|
6 Ncm
|
|
转子惯量
|
160 gcm²
|
|
材质
|
外壳:压铸铝
轴:不锈钢
|
|
工作温度
|
-30…+100 °C
-25…+100 °C (>3072个脉冲)
|
|
耐抗性
|
IEC 60068-2-6
抗振动17 g,10-2000 Hz
IEC 60068-2-27
抗冲击275 g,6 ms
|
|
防腐蚀保护
|
IEC 60068-2-52 盐雾试验
室温条件下防腐等级达到ISO 12944-2 C4
|
|
防爆认证
|
II 3 G Ex ec IIC T4 Gc (气体)
II 3 D Ex tc IIIB T135°C Dc (粉尘)
(可选配ATEX防爆版)
|
|
连接
|
M23 法兰接头,12针
|
|
近似重量
|
HOG9:
700 g
HOG9G:
1,1 kg
|
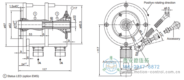
HOG9增量重载编码器外形及安装尺寸
HOG 9
盲孔型或锥孔型
HOG 9 G
双编码器含两路电气独立的系统
HOG9增量重载编码器订货选型参考
在订货时我们需要确认用户所购买的HOG9增量重载编码器的相关参数,以免给您造成不必要的损失。以下是订货时需要确认的一些参数,以及参数说明,供您参考选型。
HOG 9
盲孔型或锥孔型
HOG 9 G
双编码器含两路电气独立的系统